为了保护蓄电池,防止过量充电,大多数太阳能发电系统包括一个充电控制器。它最基本的功能是在蓄电池充满时切断充电电流。由于各种电池的充电特性不同,充电控制器应根据电池的类型来选择。今天我们讲下太阳能充电控制器的工作原理与分类介绍。
一、太阳能充电控制器的工作原理
虽然控制器的控制电路根据光伏系统的不同其复杂程度有所差异,但其基本原理是一样的,请看下方最基本的太阳能充放电控制器的工作原理图。
该系统由光伏组件、蓄电池、控制器电路和负载组成。开关1和开关2分别为充电开关和放电开关。开关1闭合时,由光伏组件给蓄电池充电,开关1还能按照预先设定的保护模式自动恢复对蓄电池的充电。开关2闭合时,由蓄电池给负载供电。当蓄电池再次充电并达到预先设定的恢复充电点时,开关2又能自动恢复供电。
二、太阳能充电控制器的分类
根据控制器对蓄电池充电调节原理的不同,常用的充电控制器可分为:
1、串联型充电控制器介绍
串联型控制器电路原理如图所示,在光伏组件与蓄电池之间串联一个开关元件。控制检测器电路监控蓄电池端电压,当充电电压超过蓄电池设定的充满断开值(HVD)时,开关元件切断蓄电池充电回路,恢复蓄电池充电。
串联型充电控制器可以使用继电器作为快关,目前多使用功率场效应管(MOSFET)、IGBT、固体继电器等。设计完美的串联型充电控制器中的开关元件还可替代防反二极管,起到防止夜间“反向泄露”的作用。
串联型充电控制器由于控制开关元件是串联在充电回路中,电路的电压损失较大,降低了充电效率,另外,当开关元件断开时,输入电压将升高到发电单元开路电压的水平。因此串联型充电控制器在设计时要选用低通态内阻的MOSFET和低饱和压降的IGBT。
2、并联型充电控制器介绍
并联型充电控制器电路原理如图所示。并联型充电控制器的开关元件是并联在光伏组件的两端,因此可以解决串联型充电控制器中开关元件的功率损耗。
控制器检测电路监控蓄电池端电压,当充电电压超过蓄电池设定的充满断开值(HVD)时,开关元件接通,将蓄电池旁路。当蓄电池端电压下降到设定的蓄电池恢复充电电压值时,开关元件断开,同时接通蓄电池充电回路。在并联型充电控制器的输入回路通常接有二极管,可以起到在充电期间允许电流流人蓄电池,在夜间或阴天时防止蓄电池电流流向光伏方阵的作用。并联型充电控制器线路简单,价格便宜,但在蓄电池充满保护而光伏组件还处于发电状态时会让光伏组件产生较大的短路电流,产生“光斑”,加速老化,国标不推荐。
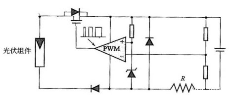
3、PWM型充电控制器介绍
为了有效地防止过充电,充分利用太阳能对蓄电池的充电,近年来发展了脉宽调制(PWM)充电控制器。PWM充电控制器以脉冲方式开关光伏组件的输入,当蓄电池趋向充满时,随着其端电压的逐渐升高,脉冲的频率或占空比发生变化,使导通时间缩短,充电电流逐渐趋于零。当蓄电池电压有充满点下降时,充电电流又会逐渐增大。这种充电过程形成较完整的充电状态,它能增加光伏系统中蓄电池烦人总循环寿命。脉宽调制充电保护的充电状态,它能增加光伏系统中蓄电池的总循环寿命。
脉宽调制充电保护电路以并联型保护电路方式为主,其工作原理可以参考下图.采用这种电路的优点是既能保护蓄电池,又能充分利用能量。另外,PWM控制器还可实现光伏系统的最大功率跟踪功能。因此,脉宽调制控制器也常用于大型光伏系统。缺点是脉宽调制控制器自身带来一定的开关损耗(大约4%一8%)。
三、太阳能充电控制器的主要功能
1、过充保护:充电电压高于保护电压时,自动关断对蓄电池充电,此后当电压掉至维持电压时,蓄电池进入浮充状态,当低于恢复电压后浮充关闭,进入均充状态。
2、过放保护:当蓄电池电压低于保护电压时,控制器自动关闭输出以保护蓄电池不受损坏;当蓄电池再次充电后,又能自动恢复供电。
3、负载过流及短路保护:负载电流超过10A或负载短路后,熔断丝熔断,更换后可继续使用。
4、过压保护:当电压过高时,自动关闭输出,保护电器不受损坏。
5、具有防反充功能:采用肖特基二极管防止蓄电池向太阳能电池充电。
6、具有防雷击功能:当出现雷击的时候,压敏电阻可以防止雷击,保护控制器不受损坏。
小结:太阳能充电控制器最基本的功能是控制蓄电池电压,打开电路。此外,当蓄电池电压上升到一定程度时,停止对蓄电池充电。老式控制器机械地完成控制电路的打开或关闭,停止或启动从电源传输到蓄电池的电力。
400-855-1855
0592-3754999
邮箱:sales@mbt-energy.com 售后:service@mbt-energy.com